X44W三通全铜旋塞阀
质量稳定:实行全过程质量监控,细致入微,
全方位检测!
全方位检测!
价格合理:高效内部成本控制,减少了开支,
让利于客户!
让利于客户!
交货快捷:先进生产流水线,充足的备货,
缩短了交货期!
缩短了交货期!
X44W三通全铜旋塞阀
X44W三通全铜旋塞阀主要性能规范
|
型号
|
公称压力
PN(MPa) |
试验压力PS(MPa)
|
适用介质
|
工作温度(℃)
|
|
|
壳体
|
密封
|
||||
|
X44W-1.0T
|
1.0
|
1.5
|
1.1
|
水、蒸气、油品
|
≤100
|
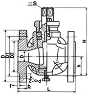
X44W三通全铜旋塞阀主要尺寸

|
公称压力
PN(MPa) |
公称通径
DN(mm) |
尺寸(mm)
|
|||||||
|
L
|
D
|
D1
|
D2
|
z-φd
|
□s
|
h
|
H
|
||
|
1.0
|
25
|
145
|
115
|
85
|
56
|
4╳φ14
|
17
|
38
|
133
|
|
32
|
170
|
135
|
100
|
78
|
4╳φ18
|
18
|
45
|
152
|
|
|
40
|
180
|
145
|
110
|
85
|
4╳φ18
|
24
|
55
|
212
|
|
|
50
|
200
|
160
|
125
|
100
|
4╳φ18
|
28
|
74
|
260
|
|
|
65
|
220
|
180
|
145
|
120
|
4╳φ18
|
32
|
82
|
295
|
|
|
80
|
250
|
195
|
160
|
135
|
4╳φ18
|
40
|
95
|
327
|
|
|
100
|
300
|
215
|
180
|
155
|
8╳φ23
|
45
|
135
|
425
|
|
|
125
|
350
|
245
|
210
|
185
|
8╳φ23
|
54
|
154
|
482
|
|
|
150
|
400
|
280
|
240
|
210
|
8╳φ23
|
62
|
172
|
512
|
|
|
200
|
450
|
335
|
295
|
265
|
8╳φ23
|
75
|
195
|
605
|
|
|
250
|
530
|
390
|
350
|
320
|
8╳φ23
|
85
|
230
|
660
|
|
|
300
|
580
|
440
|
400
|
368
|
8╳φ23
|
100
|
263
|
760
|
|
X44W三通全铜旋塞阀主要材料
|
零件名称
|
阀体
|
塞子
|
填料压盖
|
填料
|
|
X44W-1.0T
|
铸铜
|
铸铜
|
铸铜
|
油浸石棉盘根
|
相关旋塞阀产品系列:







